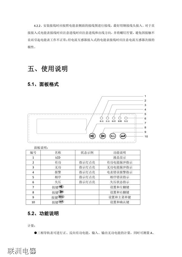
DES203三相導軌式電能表的說明書
導軌式安裝三相四線電子式電能表系我公司采用微電子技術和進口大規模集成電路, 應用先進的數字采樣處理技術和SMT 工藝等先進技術研制開發的。它擁有自主的知識產權,是目前世界上體積較小的新型三相四線有功電能表。其性能完全符合GB/T17215.321-2008(1 級和2 級靜止式交流有功電能表)的相關技術要求,它能準確直接的測量50Hz 或60Hz 三相四線交流電網中負荷的有功電能的消耗, 該表由LCD 顯示器顯示有功電量。他具有以下特點: 可靠性好, 體積小, 重量輕, 外形美觀, 方便安裝等。












下一篇:XFDF-Q手操器的說明書
【統計】Oxide、LTPS、OLED高端筆電面板受青睞,2022年市占有望突破兩成
專訪Analog Devices:踐行中國本土化戰略 滿足光通訊多元需求
深度解析英特爾Alder Lake處理器:內核架構的全新嘗試
Diodes 公司的可調式線性 ReDrivers 可在高速 DisplayPort 2.0 和 HDMI 2.1 接口