TYB-A-3.15過電壓保護器的介紹
產品概述
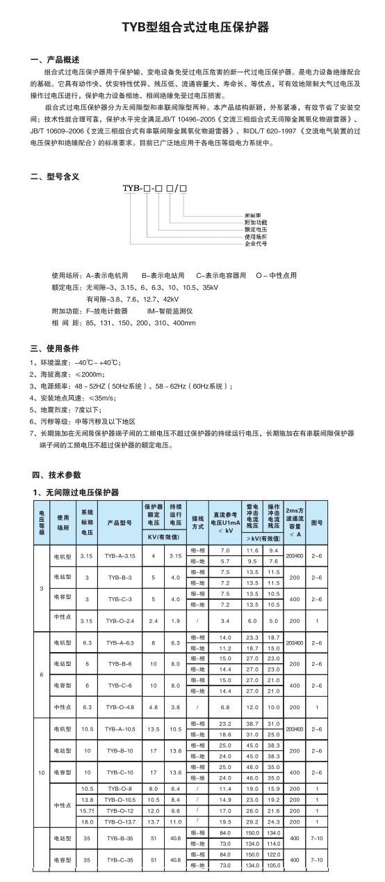
組合式過電壓保護器用于保護輸、變電設備免受過電壓危害的新一代過電壓保護器。是電力設備絕緣配合的基礎。它具有動作快、伏安特性優異、殘壓低、流通容量大、壽命長、等優點,可有效地限制大氣過電壓及操作過電壓進行,保護電力設備相地、相間絕緣免受過電壓損害。組合式過電壓保護器分為無間隙型和串聯間隙型兩種。
本產品結構新穎,外形緊湊,有效節省了安裝空間;技術性能合理可靠,保護水滿足JB/T10496--2005《交流三相組合式無間隙金屬氧化物避雷器》、JB/T10609--2006《交流三相組合式有串聯間隙金屬氧化物避雷器》、和DLT620--1997《交流電氣裝置的過電壓保護和絕緣配合》的標準要求。目前已廣泛地應用于各電壓等級電力系統中。
