星三角降壓啟動與軟啟動有什么區別?
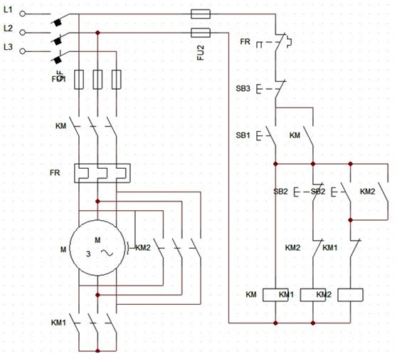
星三角啟動是采用三角形接線運行的三相異步電機為了降低起動電流,采用星形接線啟動,啟動后改為角形運行,缺點是在啟動和星三角切換時有沖擊并且啟動電流不可調。

一般來說小功率電機采用星三角降壓啟動的比較多,基本上75KW以下的電機使用得比較多,優點是星三角降壓啟動僅使用三個交流接觸器和一個時間繼電器就可以了,成本低。但接線復雜,需要從電機的六個接線端子分別引出導線。
軟啟動是靠單片機控制晶閘管的導通角實現電壓從零平滑上升起動電流、電壓、時間在一D范圍可調達到平滑啟動減小沖擊的特點。早期的軟啟動器只有一個電壓啟動模式,后來發展為多種啟動模式,應對不對負載的工況,不分輕載或是重載。

軟啟動的優點很明顯,就是可以實現平滑地啟動,對電機和負載沒有沖擊,可以延長設備的使用壽命,以及消除沖擊帶來的負面影響,而且軟啟動接線簡單不需要像星三角一樣引出六根線,只需要按正常的三角形接法將電機接到軟啟動的負載端即可。這一點從兩者的接線圖就可以看得出。
當然,任何事物都是兩面的,有優點也會有缺點,軟啟動的缺點就是相對于星三角啟動成本稍高。哦!對了,錢的問題都不是問題!
下一篇:三相組合式過電壓保護器工作原理