LXM96、LXM80、LXM72多功能電力儀表
LXM96、LXM80、LXM72系列多功能電力儀表是公司自主研發的新一代智能型多功能電力儀表, 具有可編程、 自動化測量、 LCD顯示、 電能累加、 諧波測量、 事件記錄、 開入( 遙信) 開出 ( 遙控)、 數字通訊等功能。 產品采用先進的微處理器和數字信號處理技術, 集數字化、 智能化、 網絡化于一體, 其性能優越、 測量精度高、 外形美觀, 且電磁兼容能力強, 可完全取代傳統的模擬和數字儀表, 同時可作為電力監控系統的終端元件, 實現遠程數據采集與監控。
此外還具有靈活多變的 I/O功能, 完全滿足分布式RTU的應用需求, 實現遙信、 遙測、 遙調、 計量一體化。可應用于開關柜、配電系統、面板控制、能源管理系統、樓宇控制系統、電站監控系統、過程控制系統、配電箱等場合。
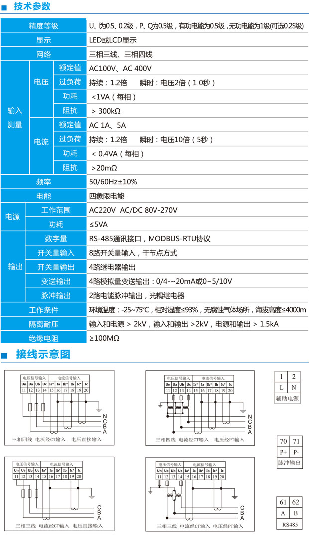
.基本電量測量: 三相電壓、電流、有功功率、無功功率、功率因數、頻率、四象限電能;
.電能計量監控:實時有功無功電度定時抄表,雙方向、絕對值和及凈值;分時電度,上月、本月和累計分時有功電度;三相雙方向有功無功電度;
.電能品質監控:三相電壓、電流不平衡度;電壓、電流諧波畸變率;2~31次諧波含有率;
.系統集成及通訊:實時時鐘;單路RS485通訊;模擬量輸出AO、開關量輸入DI、繼電器輸出DO,DI變位順序SOE記錄。


上一篇:數字高壓表原理
下一篇:LXBS-4I電量變送器